膜盒壓力表

- AK-SX7083流量積算儀
- ◆ 本儀表適合于蒸汽和一般氣體的測量,可用于內部計量和貿易計量。 ◆ 本儀表符合新版流量積算儀檢定規程《JJG1003-2016》 ◆ 本安裝使用手冊是以具備一定的流量計經驗知識為對象編寫的,使

- 數顯壓力表
- AK-SXYLB數字壓力表為全電子結構。前端采用高精度壓阻式壓力傳感器,輸出信號由高精度,低溫漂的放大器放大處理,送入高精度的A/D轉換器,轉換成微處理器可以處理的數字信號,經過運算處理,

- 乙酸乙酯液位計
- 乙酸乙酯液位計是公司引進吸收國外同類產品,并加以提高的產品。系列產品可以做到高密封、防泄漏和在高溫、高壓、高粘度、強腐蝕性條件下可靠地測量液位,全過程測量無盲區
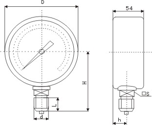
膜盒壓力表
|
|
||||||||||||||||||||||
|
膜盒壓力表采用膜盒作為測量微小壓力的敏感元件。測量對銅合金不起作用、無爆炸危險氣體的微壓和負壓,廣泛用于鍋爐通風、氣體管道、燃燒裝置等及其它類似設備上。 |
||||||||||||||||||||||
|
|
||||||||||||||||||||||
|
儀表由測量系統(包括接頭、膜盒等)、傳動機構、指示裝置和外殼組成。 |
||||||||||||||||||||||
|
|
||||||||||||||||||||||
|
|
|
|||||||||||||||||||||
|
|
||||||||||||||||||||||
|
● 標度范圍、精確度等級及重量 |
||||||||||||||||||||||
|
||||||||||||||||||||||
|
● 工作位置、環境:儀表垂直安裝,工作環境溫度-25~ |
||||||||||||||||||||||
|
||||||||||||||||||||||
|
|
||||||||||||||||||||||
|
單位:mm |
||||||||||||||||||||||
|
|
||||||||||||||||||||||
|
||||||||||||||||||||||
<
相關資訊
聯系奧科
固話:0517-86919886
傳真:0517-86919886
手機:15261725556
地址:江蘇金湖縣工業園區工一路




